 |
| 曲管压力平衡式波纹补偿器 |
|
补偿器的前部(通道端)有两个工作波纹管,后部(平衡端)有一个平衡波纹管。当弯曲管产生横向位移时,大拉杆上的球面螺母绕球面垫圈转动。同时大拉杆承受内压推力。 用途:曲管压力平衡波纹补偿器安装在管道的拐弯处或与设备连接的空间的管道上。它能补偿轴向位移、横向位移、而不会对管道系统产生内压推力。常用于泵、压缩机、汽轮机及其他对载荷敏感的管道系统。且能吸振降噪,保证设备安全运行。 | |
| 一、型号示例: |
|
|
| 示例:0.25QYP700×8/4JB |
| 表示:公称通径为φ700mm,工作压力0.25Mpa,波数为8/4,不锈钢接管连接的曲管压力平衡式波纹补偿器. |
| |
| 二、使用说明: |
| 1、曲管压力平衡式波纹补偿器安装在管道的拐弯出或设备相连的空间管道上。它能补偿轴向位移、横向位移,而不会对管道系统或其他设备产生内压推力。常用于泵、压缩机、气轮机及其他对载荷敏感的管道系统,且能吸振降噪,保证设备安全运行。 |
| |
| 三、补偿量及支点受力计算: |
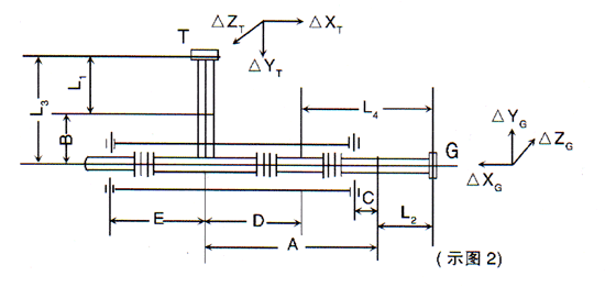
| [例]某管道系统通径DN为700,工作压力为0.6Mpa,工作温度120℃,安装温度为20℃,最低环境温度-10℃,管道材料为碳钢,图中,T点和G点为支点或设备出口、进口。T、G两点位置的初始位移分别为△XT=1.7mm,△YT=3.0mm,△ZT=0,△XG=6mm,△YG=4.5mm,△ZG=3mm,L1=0.9mm,L2=5.5m。 |
|
|
| 解:选700通径工作压力0.6 Mpa(6kg/平方米)的曲管压力平衡型波纹管。我们先选0.6QYP700×8/4,接管等零件为碳钢。 | |